× Auto Repair Pros Member Benefits TechHelp Knowledge Base Forums Resources My iATN Marketplace Chat Pricing About Us Join Industry Sponsors Video Members Only Repair Shops Auto Pro Careers Auto Pro Reviews
Join Now
International Automotive Technicians Network
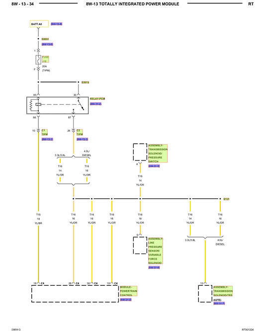
2009 Dodge Grand Caravan SXT, ECM/Inputs/Outputs Schematic
Posted to the Waveform Library on 3/29/2015

T15 does not actually work like this

Kevin from Maine

 

car Vehicle Data

2009 Dodge Grand Caravan SXT 4.0L

Engine4.0 L / 6 cyl / GAS
Trans6-speed AutomaticTransaxle (Electronic)
DeliveryFuel Injection
SubsystemECM/Inputs/Outputs
ComponentOther
ConditionKnown Bad

car Vehicle Data

2009 Dodge Grand Caravan SXT 4.0L

Engine4.0 L / 6 cyl / GAS
Trans6-speed AutomaticTransaxle (Electronic)
DeliveryFuel Injection
SubsystemECM/Inputs/Outputs
ComponentOther
ConditionKnown Bad