
Hover 2
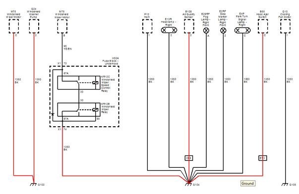
Hovering over the conductors that were previously not highlighted, results in the former group returning to black. This indicates that while there is a common shared chassis ground, that there are two ring terminals stacked at this location.
iATN Members:
Login to view this file Auto Repair Pros: Join iATN to view this file and others Vehicle Owners: Find a nearby iATN member to repair your vehicle Martin from British Columbia |