 
				
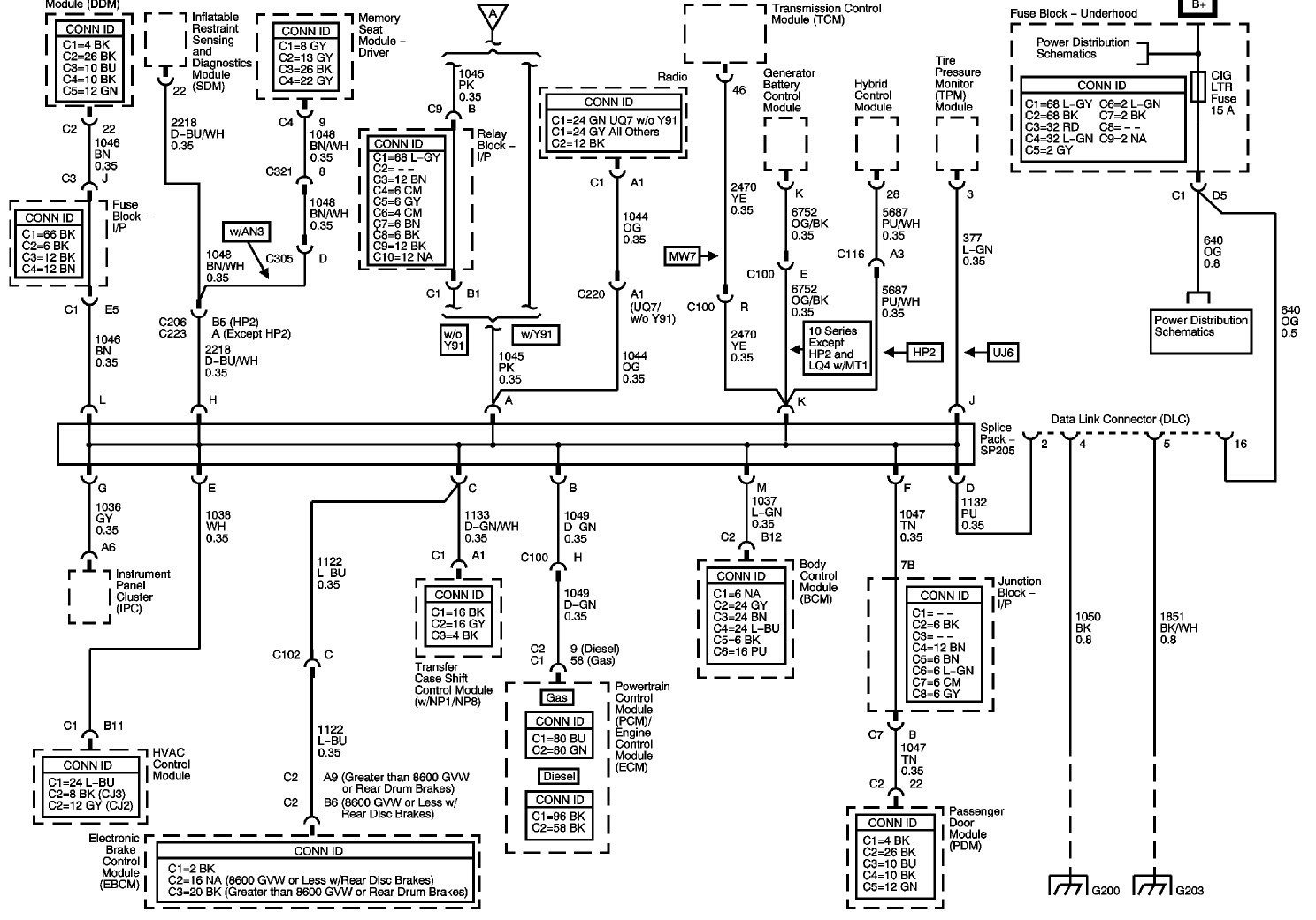
| 2006 Chevrolet Silverado 1500 LS, ECM/Inputs/Outputs Schematic 
                        
                             DLC Schematic 
                                iATN Members:  Login to view this file Auto Repair Pros: Join iATN to view this file and others Vehicle Owners: Find a nearby iATN member to repair your vehicle Morgan from Minnesota | 
 | 
| VIN | 3GCEK14V16 | 
| Engine | 4.8 L / 8 cyl / GAS | 
| Trans | 4-speed AutomaticTransmission (Electronic) | 
| Delivery | Fuel Injection | 
| Subsystem | ECM/Inputs/Outputs | 
| Component | 
References
 Vehicle Data
 Vehicle Data
                2006 Chevrolet Silverado 1500 LS 4.8L
| VIN | 3GCEK14V16 | 
| Engine | 4.8 L / 8 cyl / GAS | 
| Trans | 4-speed AutomaticTransmission (Electronic) | 
| Delivery | Fuel Injection | 
| Subsystem | ECM/Inputs/Outputs | 
| Component | 
 
                            
                            
                         Video
Video